BM1系列马达

——

产品分类
— PRODUTC —
  • BM1系列(国标)马达
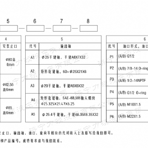
    1. BM1系列(国标)马达BM1系列(国标)马达BM1系列(国标)马达BM1系列(国标)马达BM1系列(国标)马达BM1系列(国标)马达BM1系列(国标)马达BM1系列(国标)马达BM1系列(国标)马达BM1系列(国标)马达BM1系列(国标)马达BM1系列(国标)马达BM1系列(国标)马达BM1系列(国标)马达BM1系列(国标)马达

BM1系列(国标)马达

地址:山东省济宁市任城区聚源电商小镇4号楼21号 

电话/微信:135-0638-8161(张经理)
电话/微信:135-8376-7126(李经理)
电话:0537-2635166
传真:0537-2635199   2310286


er

信息详情

BM1系列(国标)马达 2023-6-16 本文被阅读 2401次
上一条:BM1系列(美标)马达下一条:FRE系列车轮安博(中国)马达

同类产品